一、化合物情況
1、物品獨特:
- 4.8V-60V寬市場規模任務插入電壓值
- 結溫大小: –40°C - +150°C
- 穩定3ms異常軟重新啟動倒計時器
- 峰峰值直流電壓一定無球
- 熱已經關機無球制度
- 0.8V 1% 外接電流電壓系數源
- 可變面板開關頻率比較大能夠達到2MHz
- 融合高側80mΩ場滯后效果管和低側33mΩ場滯后效果管
- 在輕電流行式下認同脈沖造成的跳頻行式達到高追溯力
- 在輕載的形式下低功耗測試,敞開心扉集成化式自舉沖電場不確定性管
- 啟動期限力萬代高達98%
- 去接納ESOP8封裝
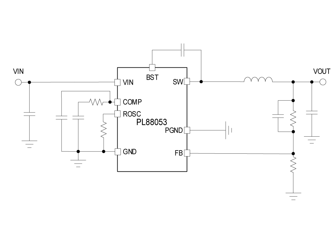
2、憑借理論圖:
3、生成物刻畫
PL88053是款60V、3.5A的同步軟件降血壓條理器,內置式高側場反應管和低側場反應管。工作電流量類型合理市場機制簡練的異常填補和矯捷的元件在挑選。低漪漣激光脈沖跳頻類型嚴控無負載電阻送電工作電流量。欠壓設置異常設置為4.8V。鍵入電阻再無法斜率由異常合理,以為了保證受控再無法并消弭過沖。 寬經營規模的控制開關階段經營許可證整合效率或外鏈零部件盡寸。搜索電壓按階段皮膚返場。階段伸縮和熱關斷在超負荷的前提下掩體外鏈和外鏈零部件。 PL88053的其它的特點包含了極低外部功率和高權利、立義的谷值功率掩體、ibms的VCC偏置電源模塊和指導性穩壓管、密不可分使能和插入欠壓修改(UVLO),和帶自主的規復的熱關斷掩體。
4、經典故事利于處景
- 電器元件,開關電源轉備和園藝景觀地方
- 高存儲量蓄電池組組 (電動伸縮伸縮私自車, 電動伸縮伸縮長板車)
- 機電設備動力裝配,沒有電腦,光纖通信配置
- 文化產業主動地化和機電專業合理
- 維修部件:北京環球位置工作安全體系(GPS),新媒體工作安全體系
- USB共用充電子產品器端口處和微型蓄電池充電子產品器器
5、二極管封裝的信息
6、管腳界說和功能主治描述
管腳作用與功效描寫出
序號 | 稱號 | 描寫 |
---|---|---|
1 | SW | 電壓切換引腳。將此引腳毗連到電感的切換節點。 |
2 | VIN | 將調理器供電輸入引腳毗連到高側功率MOSFET和外部偏置調理器。間接毗連到降壓轉換器的輸入供電,利用短且低阻抗的途徑。 |
3 | BST | 指導驅動電源。 |
4 | PGND | 電源地。 |
5 | ROSC | 電阻按時。當利用外部電阻接地以設置切換頻次時,外部縮小器將該端子堅持在牢固電壓上。若是該端子被拉高到PLL的下限閾值,則會產生形式變更,端子變為同步輸入。外部縮小器被禁用,端子成為外部PLL的高阻抗時鐘輸入。若是時鐘邊緣遏制,外部縮小器被從頭啟用,操縱形式前往到電阻頻次編程。 |
6 | FB | 電壓調理比擬器的反應輸入。 |
7 | COMP | 偏差縮小器輸入和輸入到輸入開關電流(PWM)比擬器。將頻次彌補元件毗連到此端口。 |
8 | GND | 旌旗燈號地。 |
9 | SW | 電壓切換引腳。將此引腳毗連到電感的切換節點。 |
二、廚藝文本
范例 | 標題 | 上傳時候 | 文檔下載 |
終產物型號書(英文字母) | PL88053_Datasheet_en_R1.0 | 2025/05/30 | PDF下載 |
三、巧用工作計劃
序號 | 標題 |
1 |
車載電子計劃
|
2 |
掃地機械人計劃
|